動画
アプリケーションノート/インフォメーションノート
アプリケーション分野
■ 電源解析
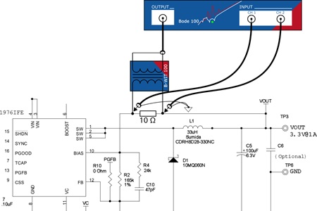
このアプリケーションノートでは、ループゲインを測定することによってDC/DCコンバータの制御ループの安定性を解析する方法について説明します。
ノイズ対策
ループゲインの測定は、特に低周波数域においてノイズの影響を受けやすくなります。
このドキュメントでは、ノイズが測定結果に悪影響を与える理由と、ノイズを効果的に抑制して正確な測定結果を得るための方法について解説しています。
電圧注入に基づくループゲイン測定方法を、数学的原理を中心に解説しています。
出力インピーダンス
DC/DCコンバータまたは電圧レギュレータの出力インピーダンスを測定する方法、およびその情報を使用して位相余裕を導出し、適切なデカップリングネットワークを選択する方法について説明しています。
このアプリケーションノートでは、Bode 100を使用して、主電源電圧で駆動するように設計された機器の高周波インピーダンスを測定する方法を示します。
電圧レギュレータのクロストークは、電源システムに深刻な問題を引き起こす可能性があります。ここでは電源のクロストークを簡単に測定する方法をご紹介しています。
■ インピーダンス測定
インピーダンス測定
このアプリケーションノートでは、Bode 100を使用してインピーダンスを測定する際に、適切なインピーダンス測定方法を選択する方法と、測定結果を改善する方法について説明します。
出力インピーダンス
DC/DCコンバータまたは電圧レギュレータの出力インピーダンスを測定する方法、およびその情報を使用して位相余裕を導出し、適切なデカップリングネットワークを選択する方法について説明します。
インダクタの電気特性測定
このアプリケーションノートでは、直流電流バイアスを印加した状態で、Bode 100を使用してインダクタの周波数特性を測定する方法を示します。
コンデンサの等価直列抵抗(ESR)は、必ずしもメーカーによって規定されているとは限りません。
インピーダンスアダプタを備えたBode 100を使用すれば、周波数範囲におけるESRを簡単かつ迅速に測定できます。
Bode 100ベクトルネットワークアナライザとB-AMP 12アンプを組み合わせて、力率改善(PFC)コンデンサまたはDCリンクコンデンサのインピーダンスを測定します。
本アプリケーションノートでは、インダクタのインピーダンススペクトルから等価回路モデルを導出する方法について説明します。
このアプリケーションノートでは、Bode 100を使用して、主電源電圧で駆動するように設計された機器の高周波インピーダンスを測定する方法を示します。
このアプリケーションノートでは、高インピーダンスブリッジを用いてBode 100のインピーダンス測定範囲を拡張する一つの方法を紹介します。
このアプリケーションノートでは、Bode 100を使用して、結合係数、共振周波数、伝達関数などの重要な変圧器パラメータを測定する方法について説明します。
■ RFID/NFC計測
■ その他
交流電流増幅率測定
このアプリケーションノートでは、Bode 100を使用してバイポーラトランジスタの交流電流利得hfeを測定する方法について説明します。
リモートコントロール
場合によっては、ネットワーク接続(イーサネット)の方が直接USB接続よりも有利な場合があります。これは、USBデバイスサーバーを使用することで実現できます。
プレーナ型トランスの測定
平面型プリント回路トランスの巻線不良は、検出が難しい場合があります。ここでは、Bode 100を用いて平面コイルの不良を検出する方法を示します。
Omicron社の公式YouTubeチャンネル
Bode Analyzerを使ったさまざまな測定方法などOmicron Labの動画をご紹介


